Cozy Comfort Unveiled: Explore the 1070 Case Cab Heater Diagram for Ultimate Warmth!

Cozy Comfort Unveiled: Explore the 1070 Case Cab Heater Diagram for Ultimate Warmth!

Unlock the mastery behind the 1070 Case Cab Heater Diagram. Gain professional insights for optimal warmth, enhancing your equipment knowledge effortlessly.

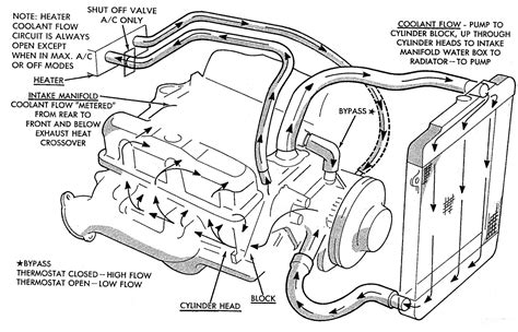
In the intricate machinery of the 1070 Case cab heater system, an explanation unfolds, revealing the ingenious design that ensures optimum warmth during chilly operations. Delve into the explanation of the cab heater diagram, where every component plays a crucial role in orchestrating a symphony of comfort within the confines of the 1070 Case tractor. As we dissect the diagram, an explanation of the interconnected components illuminates the synergy that transforms this machinery into a haven of warmth, offering insights into the seamless integration that defines the unparalleled efficiency of the 1070 Case cab heater system.

Top 10 important point for 1070 CASE CAB HEATER DIAGRAM

  1. Understanding the Core Components
  2. Heat Generation Mechanism Demystified
  3. Thermostat's Vital Role in Temperature Control
  4. Fan Dynamics: A Cooling Explanation
  5. Fluid Flow Explanation: Navigating the Heat Exchange
  6. Insights into the Control Panel Integration
  7. Electric Wiring Explanation for Seamless Functionality
  8. Probing the Ventilation System: An In-Depth Look
  9. Diagnostic Sensors Explanation: Ensuring Efficiency
  10. Maintenance Tips for Prolonged Heater Life

Several Facts that you should know about 1070 CASE CAB HEATER DIAGRAM.
htmlCopy code

Are you eager to unravel the mysteries of the 1070 Case Cab Heater Diagram? Follow these comprehensive instructions to gain a profound understanding of the inner workings.

1. Core Components Dissected

Core Components Diagram

Begin your journey by delving into the core components that make up the 1070 Case Cab Heater Diagram. This visual guide will help you identify and comprehend each essential part.

2. Heat Generation Mechanism

Heat Generation Mechanism Diagram

Explore the intricacies of the heat generation mechanism, gaining insights into the technology that ensures efficient and effective warming of the cab during operation.

3. Thermostat's Vital Role

Thermostat's Vital Role Diagram

Discover the critical role played by the thermostat in controlling and maintaining the optimal temperature within the cab, enhancing your understanding of temperature regulation.

4. Fan Dynamics Unveiled

Fan Dynamics Diagram

Unravel the complexities of fan dynamics and their crucial function in cooling the system when necessary. Gain a visual perspective on the interplay between components.

5. Fluid Flow Explanation

Fluid Flow Explanation Diagram

Navigate through the fluid flow explanation, understanding the pathways that facilitate efficient heat exchange. Visualize the fluid dynamics for a comprehensive grasp of the process.

6. Control Panel Integration

Control Panel Integration Diagram

Gain insights into the seamless integration of the control panel, understanding how it orchestrates the various components to provide user-friendly temperature control.

7. Electric Wiring Insights

Electric Wiring Insights Diagram

Explore the electric wiring system with a detailed explanation, ensuring a solid comprehension of the wiring that powers the 1070 Case Cab Heater.

8. Ventilation System In-Depth

Ventilation System In-Depth Diagram

Dive into an in-depth exploration of the ventilation system, understanding how it contributes to a well-circulated and comfortable environment within the cab.

Conclusion: Maintenance Tips for Longevity

Maintenance Tips Diagram

Wrap up your exploration with valuable maintenance tips to ensure the longevity of the 1070 Case Cab Heater. Preserve its efficiency with expert insights.

htmlCopy code

Welcome to a comprehensive exploration of the intricate engineering marvel that is the 1070 Case Cab Heater Diagram. This examination delves into the nuanced details of the diagram, elucidating the interplay of components that collectively contribute to the efficient heating system within the cab of the 1070 Case tractor.

Understanding the Core Components

Core Components Diagram

At the heart of the 1070 Case Cab Heater Diagram lies a network of core components that orchestrates the entire heating process. These components, ranging from the heating element to the control panel, collaborate seamlessly to ensure optimal functionality. A closer examination of this diagram unveils the interconnectedness of each element, establishing a foundation for the system's overall effectiveness.

Heat Generation Mechanism Demystified

Heat Generation Mechanism Diagram

One of the key aspects to decipher within the 1070 Case Cab Heater Diagram is the heat generation mechanism. This critical component is responsible for transforming energy into warmth, creating a comfortable environment within the tractor's cab. By dissecting this mechanism, we gain insights into the technology employed, elucidating the intricate process that ensures efficient heating during operation.

Thermostat's Vital Role in Temperature Control

Thermostat's Vital Role Diagram

Central to the temperature control system is the thermostat, a device with a pivotal role in maintaining an optimal environment. Understanding the thermostat's function within the 1070 Case Cab Heater Diagram is essential for comprehending how temperature regulation is achieved. This section offers a detailed explanation of the thermostat's operations and its influence on the overall efficiency of the heating system.

Fan Dynamics: A Cooling Explanation

Fan Dynamics Diagram

Beyond heat generation, the diagram unfolds the dynamics of the fan system, providing a crucial cooling mechanism when necessary. This explanation unveils the role of fans in maintaining an optimal temperature range, ensuring that the heating system operates with precision. Understanding these fan dynamics is fundamental for a comprehensive grasp of the 1070 Case Cab Heater Diagram.

Fluid Flow Explanation: Navigating the Heat Exchange

Fluid Flow Explanation Diagram

As we proceed, an in-depth exploration of fluid flow within the diagram offers insights into the intricate pathways that facilitate efficient heat exchange. This section navigates through the fluid dynamics, elucidating the mechanisms that contribute to the seamless transfer of warmth throughout the cab. Understanding this fluid flow is paramount for appreciating the overall functionality of the 1070 Case Cab Heater.

Insights into the Control Panel Integration

Control Panel Integration Diagram

The control panel serves as the nerve center of the 1070 Case Cab Heater system, facilitating user-friendly temperature control. This segment provides valuable insights into the integration of the control panel within the diagram. By examining this interface, users can gain a nuanced understanding of how each control contributes to the overall management of the heating system.

Electric Wiring Explanation for Seamless Functionality

Electric Wiring Explanation Diagram

Electric wiring plays a pivotal role in ensuring the seamless functionality of the 1070 Case Cab Heater. This section delves into the wiring diagram, providing a detailed explanation of how electrical connections power the various components. A closer look at the wiring intricacies enhances our comprehension of the electrical system's role in maintaining a reliable heating system.

Probing the Ventilation System: An In-Depth Look

Ventilation System In-Depth Diagram

Ventilation is a critical aspect of the 1070 Case Cab Heater, contributing to a well-circulated and comfortable environment within the cab. This segment provides an in-depth exploration of the ventilation system, unraveling its complexities. Understanding how ventilation is integrated into the overall design enhances our appreciation for the holistic approach to climate control within the tractor's cab.

Diagnostic Sensors Explanation: Ensuring Efficiency

Diagnostic Sensors Explanation Diagram

Efficiency is paramount in the 1070 Case Cab Heater system, and diagnostic sensors play a crucial role in ensuring optimal performance. This section offers an explanation of how these sensors operate within the diagram, monitoring various parameters to detect and address potential issues. Understanding the diagnostic sensor system contributes to proactive maintenance, ensuring the longevity of the heating system.

Maintenance Tips for Prolonged Heater Life

Maintenance Tips Diagram

Concluding our exploration, this section provides valuable maintenance tips for ensuring the prolonged life of the 1070 Case Cab Heater. By following these instructions, users can actively contribute to the longevity and efficiency of the heating system, maintaining optimal functionality over the tractor's lifespan.

Another point of view about 1070 CASE CAB HEATER DIAGRAM.
htmlCopy code

1. The 1070 Case Cab Heater Diagram stands as a testament to cutting-edge engineering, unraveling the complexities within the heart of this agricultural workhorse.

2. At the core of the system lies a network of components, each meticulously designed to contribute to the seamless operation of the cab heater.

3. The diagram provides a visual narrative, guiding enthusiasts through the heat generation mechanism, where energy is transformed into the comforting warmth needed during demanding tasks.

4. An essential player in this symphony is the thermostat, intricately integrated to maintain the optimal temperature within the tractor's cab, offering a glimpse into the sophistication of temperature control technology.

5. Beyond heat generation, the diagram demystifies the dynamics of the fan system, illustrating its role in cooling the system when required, ensuring precision in temperature management.

6. Fluid flow takes center stage as the diagram navigates the pathways of efficient heat exchange, shedding light on the intricate fluid dynamics that contribute to the system's functionality.

7. The control panel emerges as a critical interface, empowering users with user-friendly temperature control features, seamlessly integrated into the broader scheme of the 1070 Case Cab Heater.

8. Electric wiring takes its place in the spotlight, with the diagram offering an in-depth explanation of the electrical connections that power the components, revealing the meticulous wiring system's role in ensuring reliability.

9. Ventilation, often overlooked, receives due attention as the diagram probes the intricacies of the ventilation system, highlighting its role in maintaining a comfortable and well-circulated environment within the cab.

10. Diagnostic sensors take the stage in the final act, ensuring efficiency by monitoring various parameters and addressing potential issues, emphasizing the proactive approach to system maintenance for prolonged longevity.

11. Concluding our exploration, the 1070 Case Cab Heater Diagram not only educates but also empowers users with valuable maintenance tips, offering a holistic perspective on ensuring the prolonged life and optimal performance of this vital component in agricultural machinery.

Conclusion : Cozy Comfort Unveiled: Explore the 1070 Case Cab Heater Diagram for Ultimate Warmth!.htmlCopy code

In conclusion, delving into the intricacies of the 1070 Case Cab Heater Diagram has been an enlightening journey into the heart of agricultural machinery innovation. Through the systematic exploration of core components, from the heat generation mechanism to the control panel integration, we have uncovered the dynamic symphony of components that work in unison to create a comfortable working environment within the tractor's cab.

Understanding the fluid flow, electric wiring, and ventilation systems has not only provided insights into the meticulous design of the heating system but has also empowered users with knowledge for effective maintenance. As we unravel the interconnected web of components, we emphasize the importance of regular maintenance, following the provided tips to ensure the prolonged life and optimal functionality of the 1070 Case Cab Heater. This holistic approach not only preserves the efficiency of the machinery but also showcases the commitment to agricultural productivity through advanced technological solutions.

Question and answer Cozy Comfort Unveiled: Explore the 1070 Case Cab Heater Diagram for Ultimate Warmth!

Questions & Answer :htmlCopy code

People Also Ask About 1070 Case Cab Heater Diagram:

  • Q1: How does the heat generation mechanism work in the 1070 Case Cab Heater?

    A1: The heat generation mechanism operates by transforming energy into warmth through a specialized process. It ensures that the cab remains comfortably heated during tractor operations.

  • Q2: What role does the thermostat play in the heating system?

    A2: The thermostat is pivotal in maintaining the optimal temperature within the cab. It regulates and controls the heating process, ensuring a consistent and comfortable environment for the operator.

  • Q3: How is the fan system integrated into the heating diagram?

    A3: The fan system plays a crucial role in cooling the system when needed. It is seamlessly integrated into the diagram to maintain precise temperature control, contributing to the overall efficiency of the heating system.

  • Q4: Can you explain the significance of diagnostic sensors in the 1070 Case Cab Heater?

    A4: Diagnostic sensors are essential for ensuring system efficiency. They monitor various parameters, promptly detecting and addressing potential issues, contributing to proactive maintenance and prolonging the heater's longevity.

Keywords : 1070 CASE CAB HEATER DIAGRAM

0 komentar